上海恒點傳動設備有限公司
加微信聯系 恒點減速機QQ2:51228482
[HTML] [XML]  産品展示産品展示-RSS  新聞中心新聞中心-RSS  技術支持技術支持-RSS
産品分類: 減速機蝸輪絲杆升降機轉向箱蝸輪蝸杆減速機齒輪減速機行星齒輪減速機擺線針輪減速機無級變速機大功率減速器
上海恒點傳動設備有限公司
資訊分類
和産品相關的技術文章
當前位置:網站首頁 > 技術支持 > T8系列轉向箱外型尺寸圖(D-LR,D-R,D-L等)

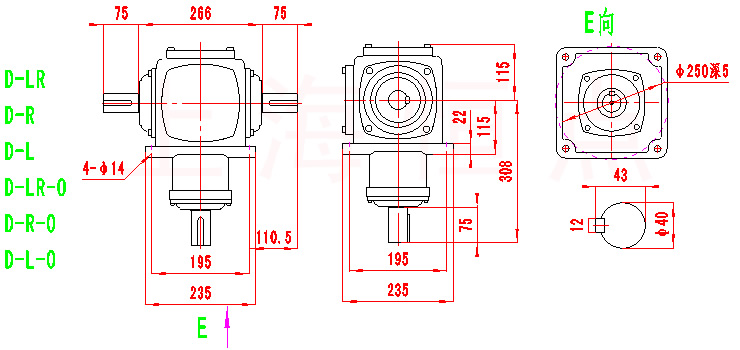
T8系列轉向箱外型尺寸圖(D-LR,D-R,D-L等)

Tags: T螺旋傘齒輪轉向箱    發布時間: 2013-12-06
   T8系列轉向箱外型尺寸圖,包括以下六種裝配形式:D-LR,D-L,D-R,D-LR-O,D-R-O,D-L-O,外觀看上去主要是上下做輸入軸,左右做輸出軸.适合用於1:1,1.5:1,2:1,2.5:1,3:1,4:1的減速比.具體的尺寸,請參照下面的圖紙.如果需要CAD格式圖,請緻電恒點減速機,咨詢電話:021-22815912.

T8系列轉向箱外型尺寸圖(D-LR,D-R,D-L等)
上一篇 上一篇: T8系列轉向箱外型尺寸圖(U-LR,U-R,U-L等)
下一篇 下一篇: T8系列雙輸入雙輸出(十字轉向箱)外型尺寸圖
相關新聞文章 > 查看更多
軸承異響-部件損傷與直接失效 2026-01-22
各種交流電動機的旋轉原理 2025-12-11
氣壓傳動的優點和缺點 2025-11-20
編制工藝規程時必須具備的原始資料有哪些 2025-10-28
什麽叫沖壓,沖壓有哪些優點? 2025-09-18
簡述火焰矯正的原理 2025-08-21
數控加工的基本原理是什麽 2025-07-07
壓鑄小知識介紹 2025-06-09
錐齒輪承載能力計算方法第1部分:概述和通用影響系數附錄B、C(GB/T10062.1-2003) 2025-04-23
什 麽 是 關 節 軸 承 ? 2025-02-13
什 麽 是 關 節 軸 承? 2025-01-14
什麽是低溫軸承? 2024-12-04
返回頂部 關閉本頁】 【打印本頁
電 話 :021-22815912  021-22816186  傳 真:021-32050712   郵箱:sales@021jsj.cn  減速機 絲杆升降機 轉向箱 蝸輪蝸杆減速機
Copyright©2009-2026上海恒點傳動設備有限公司 版權所有  地址:上海市金山區亭林鎮林寶路39号  郵編:200442  滬ICP備10206998号-2 
友情鏈接機械設備網 | 渦街流量計 | 輸送機 | 變頻控制櫃 | 破碎機 | 工業同城 | 手持終端 | 柴油發電機 | uv平闆打印機 | 風淋室 | QUV | 防火門 | 九愛圖紙 | 感應加熱設備 | 輸送帶廠家 | 噪聲治理 | 西門子plc | 拖鏈電纜 | AGV | 機械雜志 | 現代機械 | UWB高精度定位 |